電線・ケーブルから工具まで電材品が揃うSDSの通販サイト

蛙屋

  • 最短
    当日出荷
  • 掛け払い
    対応
  • 20,000円以上
    送料は弊社負担

044-230-0827

営業時間:9:00~17:00(土日祝除く)

銅つめ付ヒューズ(甲型) CuF 300A/55mm Cタイプ 30個入

銅つめ付ヒューズ(甲型) RoHS非対応

製品カタログ・仕様

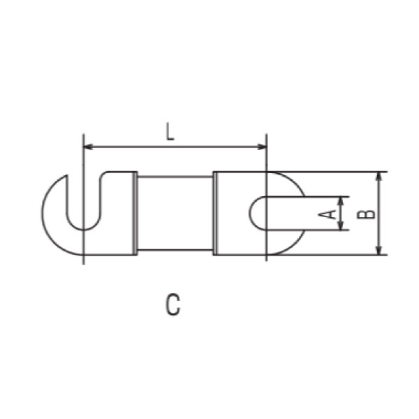
仕様

定格電流 L A B タイプ 定格電圧 溶断時間(分)
160%
溶断時間(分)
200%
一箱入数(個)
5A455.512B250V602100
10A455.512B250V602100
15A455.512B250V602100
20A455.512B250V602100
30A455.512B250V602100
40A55716B250V604100
50A55716B250V604100
60A55716B250V604100
75A558.520B250V120650
100A558.520B250V120650
150A551025B250V120830
200A551025B250V120830
250A551025C250V1201030
300A551025C250V1201030
400A751032D250V1201210
500A751032D250V1201210

単位:mm

銅つめ付ヒューズ(甲型) CuF 300A/55mm Cタイプ 30個入
在庫:30 個
¥252/個(税抜)
×
小計:¥-(税抜)
¥-(税込)
(お見積りもこちら)

最近見た商品

冨士端子工業
在庫:100 個
¥64/個(税抜)
最近見た商品がありません。 履歴を残す場合は、"履歴を残す"をクリックしてください。
表示モード: スマートフォン | PC