電線・ケーブルから工具まで電材品が揃うSDSの通販サイト

蛙屋

  • 最短
    当日出荷
  • 掛け払い
    対応
  • 20,000円以上
    送料は弊社負担

044-230-0827

営業時間:9:00~17:00(土日祝除く)

圧縮端子400SQ 2つ穴 導体円圧線用 接触面スズメッキ C2-SB400P

圧縮端子2つ穴、導体円圧線用、接触面スズメッキ

製品カタログ・仕様

特長

主に発変電設備主回路における変圧制御機器と銅電線との端末接続に使用します。また、地中線の立ち上がり三叉管の終端接続部における低圧引込線との端子接続や大型一般施設内変圧器の一次側、二次側の端子台との接続に使用します。

材質:JIS H3250 銅及び銅合金棒

注意事項

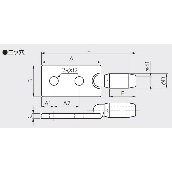
穴数等、製品仕様につきましては商品名をご確認ください。
画像は共通画像を使用しています。

仕様

サイズ(mm2) 素線構成
(円撚り線)
素線構成
(円圧線)
導体外径
(円撚り線)
導体外径
(円圧線)
d1(円撚り) d1(円圧) A1 A2 B2 d2 使用ボルト 適用六角ダイス
対角(mm)
147/1.64.84.4145.24.8269018404014125M1214
227/2.06.05.5146.46.0269018404014125M1214
387/2.67.87.3148.37.8269018404014125M1214
557/3.29.61410.23013518404014135M1219
6019/2.010.09.31910.69.83013518404014135M1219
8019/2.311.51912.13915020404014150M1223
10019/2.613.012.02313.612.63915020405014150M1223
12519/2.914.513.52615.214.23915020405014150M1226
15037/2.316.114.72916.915.4441702540501014170M1229
20037/2.618.217.03219.517.9531802540501014180M1232
25061/2.320.719.03821.919.9622072540501014207M1238
32561/2.623.421.74224.722.7622122540501014212M1242
40061/2.926.124.14727.425.2702222540501214222M1247
50061/3.228.826.94730.227.9702222540501214222M1247
圧縮端子400SQ 2つ穴 導体円圧線用 接触面スズメッキ C2-SB400P
在庫:メーカー直送
¥11,570/個(税抜)

¥12,727/個(税込)

小計:¥-(税抜)
¥-(税込)
(お見積りもこちら)

最近見た商品

最近見た商品がありません。 履歴を残す場合は、"履歴を残す"をクリックしてください。
表示モード: スマートフォン | PC